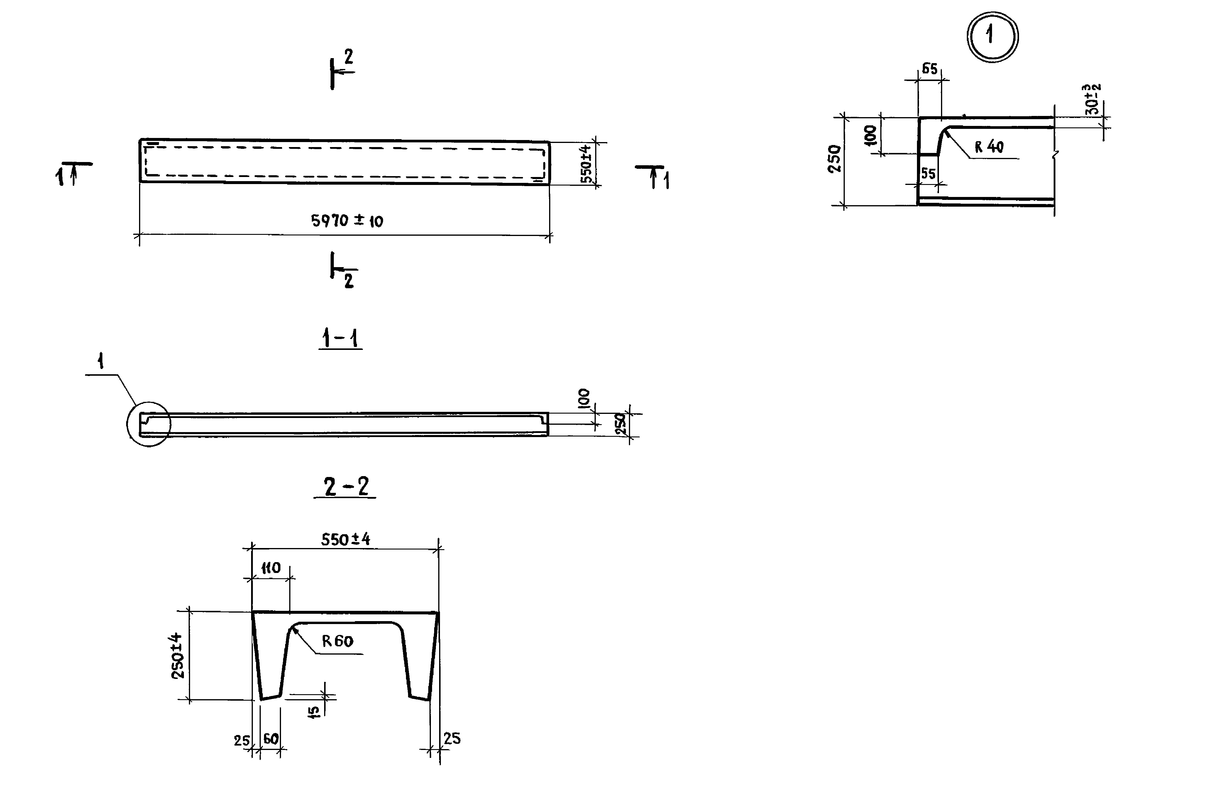
Плиты перекрытия
Назад в каталог
Монолитные плиты перекрытия под повышенную нагрузку
Плиты ПТА
Плиты перекрытий ПРС
Плиты перекрытий ПДС
Плиты доборные
Плиты перекрытий 4ПБ
Плиты перекрытий 3.2ПБ
Плиты перекрытий 2.7ПБ
Плиты перекрытий 1.6ПБ
Плиты перекрытий 3ПБ
Плиты перекрытий 2ПБ
Плиты перекрытий 1ПБ
Плиты перекрытия 4НВК
Плиты перекрытия НВКУ
Плиты перекрытия НВК
Плиты перекрытий 1ПК
Плиты перекрытия НВ
Плиты перекрытий ПТМ
Панели перекрытия сплошные
Панель многопустотная БПК
Плиты облегченные ПНО
Полнотелые доборные плиты
Добор настила
Плиты ребристые ПРТм
Плиты облегченные ПБ
Плиты пустотные ПБ
